Kugelwaage
Versuchsaufbau für Regelungstechnik-Labor
Lehrmodell für die Regelungstechnik
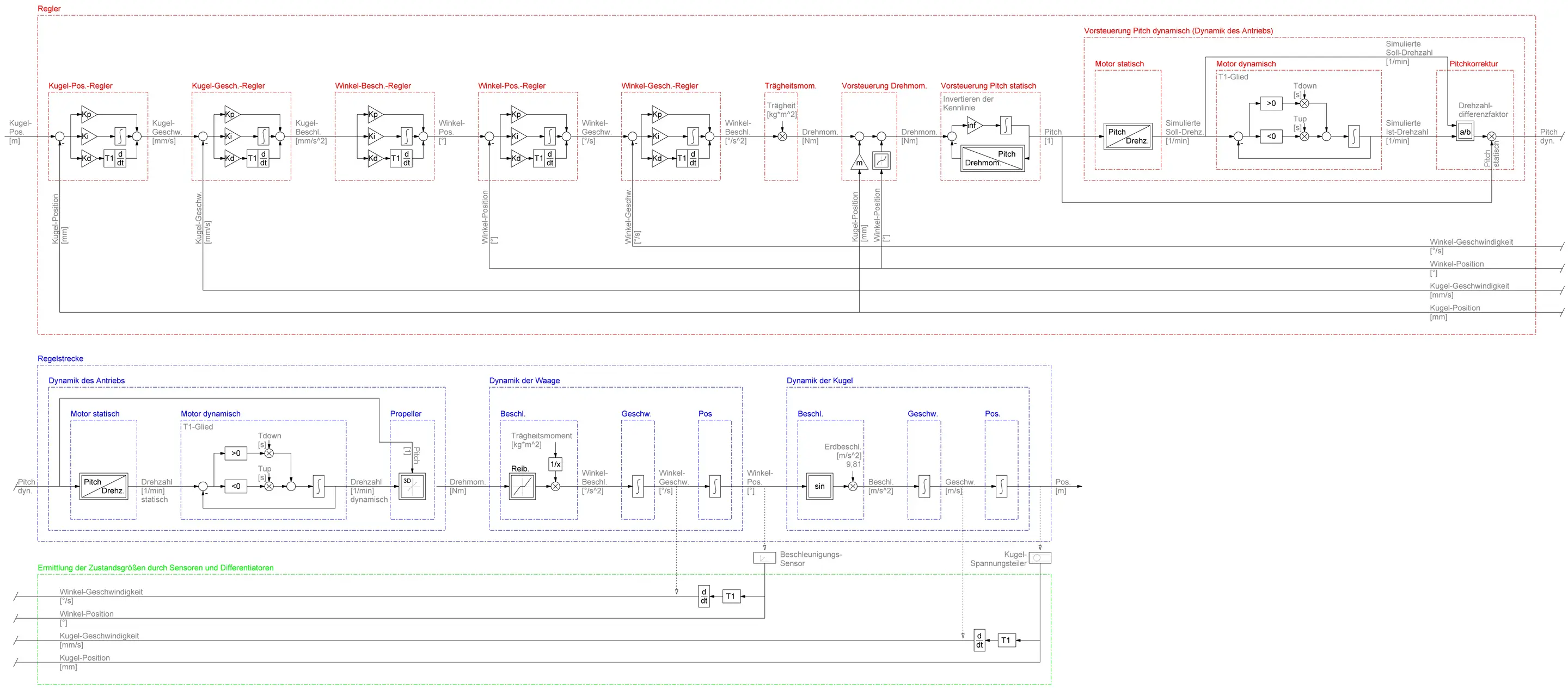
Die Kugelwaage ist ein faszinierendes Lehrmodell, das die Prinzipien der Regelungstechnik anschaulich vermittelt. Mit einem speziell hierfür entwickelten Funktionsblockeditor können Studierende eigenständig Regelkreise entwerfen und optimieren. Ziel ist es, die Neigung der Wippe über einen Propellerantrieb so präzise zu steuern, dass eine Metallkugel stabil in der Mitte balanciert wird.
Kugelwaage als Lehrmodell für die Regelungstechnik - THWS Schweinfurt - Ingenieur Glaser
🎱 Die Kugelwaage ist ein faszinierendes Lehrmodell, das die Prinzipien der Regelungstechnik anschaulich vermittelt. Mit einem speziell hierfür entwickelten Funktionsblockeditor können Studierende eigenständig Regelkreise entwerfen und optimieren. Ziel ist es, die Neigung der Wippe über einen Propellerantrieb so präzise zu steuern, dass eine Metallkugel stabil in der Mitte balanciert wird.
https://ingenieur-glaser.de/kugelwaage/ – Hinter den Kulissen
#Regelungstechnik #THWS #Elektrotechnik #Prototypenbau #Hardwareentwicklung #Mikroelektronik #Ingenieur #Matlab #Simulink #ATMEGA32 #Cplusplus #Cnc
💡️ Entwicklung & Fertigung – Ingenieurbüro Glaser
https://ingenieur-glaser.de/ – Elektronik・Software・Hardware
🔔 Jetzt abonnieren! – Keine Entwicklung verpassen!
https://ingenieur-glaser.de/Instagram/ – Instagram
https://ingenieur-glaser.de/Facebook/ – Facebook
https://ingenieur-glaser.de/YouTube/ – YouTube
https://ingenieur-glaser.de/LinkedIn/ – LinkedIn
https://ingenieur-glaser.de/Twitter/ – Twitter
https://ingenieur-glaser.de/TikTok/ – TikTok
https://ingenieur-glaser.de/Xing/ – Xing
🥇 Referenzen – Wie aus Visionen Erfolge wurden.
https://ingenieur-glaser.de/Projekte/ – Referenzen
📞 Kontakt – Ist der Funke übergesprungen?
https://ingenieur-glaser.de/Kontakt/ – Kontakt
#Regelungstechnik #THWS #Elektrotechnik #Prototypenbau #Hardwareentwicklung #Mikroelektronik #Ingenieur #Matlab #Simulink #ATMEGA32 #Cplusplus #Cnc #Lehrmodell
Eine herausfordernde Regelstrecke
Im Zentrum der Regelstrecke steht ein Propellerantrieb, der mit einem drehbar gelagerten V-Profil verbunden ist. Auf diesem kann eine Kugel frei rollen. Ein Servomotor verändert den Anstellwinkel der Rotorblätter, um gezielt Schub nach links oder rechts zu erzeugen und so die Neigung der Wippe zu verändern.

Die Herausforderung besteht darin, einen Regelkreis zu entwickeln, der das hochdynamische und instabile System so steuert, dass die rollende Kugel in der Mitte des V-Profils zum Stillstand kommt. Bereits geringste Neigungsänderungen versetzen die Kugel in Bewegung. Das Eigengewicht der Kugel wirkt dabei ebenso als Störgröße wie die variierende Propellerdrehzahl und Verwirbelungen des Luftstroms. Diese Faktoren erhöhen die Komplexität einer stabilen Regelung erheblich.

Für die Regelung stehen die Kugelposition und der Neigungswinkel der Wippe als Messgrößen zur Verfügung. Als einziges Stellelement muss ein pitchverstellbarer Propeller genügen, um die Kugel in Balance zu halten.
Unauffälliger Sensor mit beeindruckender Präzision


Winkelbestimmung über einen Beschleunigungssensor


Schubumkehr dank pitchverstellbarer Rotorblätter


Signal- und Steuerinterface mit ATMEGA32 Mikrocontroller

Regelung mit Funktionsblockeditor in VB.NET
Für die Erstellung eines Reglers steht ein speziell für diesen Aufbau entwickelter Funktionsblockeditor zur Verfügung. Der in VB.NET programmierte Editor umfasst alle gängigen Regelglieder, wie beispielsweise PIDT1-Regler, und lässt sich durch selbstdefinierte Funktionsblöcke flexibel erweitern. Ein besonderes Merkmal ist, den gesamten Signalverlauf während der Laufzeit bearbeiten zu können. Änderungen werden sofort wirksam, ohne dass erneutes Kompilieren wie z.B. bei MATLAB Simulink erforderlich ist.

Reglerentwurf für ein nichtlineares, hochdynamisches System
Die Kugelwaage bildet ein komplexes, nichtlineares Regelungssystem ab. Der entwickelte Regelkreis umfasst insgesamt vier Kaskaden mit fünf PIDT1-Reglern, die auf die Zustandsgrößen Geschwindigkeit und Position von sowohl Kugel als auch Wippe einwirken. Jede Kaskadenstufe ist fein aufeinander abgestimmt, um die Kugel trotz der instabilen Rahmenbedingungen zuverlässig im Mittelpunkt zu halten.



Manuelle Steuerung zur Verdeutlichung der Komplexität
Zum besseren Verständnis der Komplexität kann der Versuchsaufbau wahlweise manuell über einen Joystick gesteuert werden. So wird schnell klar, wie anspruchsvoll bzw. nahezu unmöglich es ist, die Kugel ohne eine ausgefeilte Regelung in Balance zu halten.


Fertigung der Holz-, Acrylglas- und Aluminium-Teile per CNC-Fräse
Alle mechanischen Komponenten wurden in AutoCAD entworfen und auf einer CNC-Fräse gefertigt. Dies ermöglichte eine hohe Passgenauigkeit und Zuverlässigkeit in der Umsetzung.











Entwicklungsumgebungen für die Softwareentwicklung
Für die Programmierung des Funktionsblockeditors in VB.NET wurde Visual Studio verwendet, während für die Mikrocontroller-Programmierung in C++ das ATMEL AVR-Studio zum Einsatz kam. Zusätzlich wurde HTerm verwendet, um die serielle Kommunikation zwischen dem Mikrocontroller und dem PC bei der Entwicklung zu überwachen.


Feinmotorische Lötarbeiten am BMA280-Beschleunigungssensor


Übergabe des Versuchsaufbaus an die THWS
Die THWS (Technische Hochschule Würzburg-Schweinfurt) hat den Versuchsaufbau „Kugelwaage“ für ihr Regelungstechnik-Labor übernommen. Prof. Dr. Abid Ali, der das Labor leitet, bedankte sich herzlich für das außergewöhnliche Engagement.

Pioniergeist aus Studienzeiten stärkt Regelungstechnik-Labor
Die THWS dankt Johannes Glaser für die 'Kugelwaage', ein Lehrmodell, das Studierenden ermöglicht, Regelungstechnik praxisnah zu erlernen. ➔ Jetzt mehr erfahren!
Kugelwaage-Challenge: Auszeichnung für Spitzenleistung
Die Person, die sich der Herausforderung stellt und es schafft, einen Regler zu entwickeln, der die Kugel präzise in der vorgegebenen Position stabilisiert, wird mit einer Urkunde und einem Preis von Ingenieur Glaser ausgezeichnet. :)


DANKE!
Herzlichen Dank an Prof. Dr. Ali für die fundierte Vermittlung wertvoller regelungstechnischer Werkzeuge während meines Studiums. Die praxisnahen und tiefgreifenden Übungen ergänzend zu den Vorlesungen haben mir eine solide Grundlage geschaffen, die bis heute eine zentrale Rolle in meiner ingenieurwissenschaftlichen Arbeit spielt und wesentlich zu meinem Verständnis komplexer technischer Systeme beiträgt.











